We Provides Compressor Units
Monday to Friday
Open Drive
12 to 14 Nominal HP
40 Nominal Cfm
Suitable for air conditioning or refrigeration applications, belt drive or direct drive
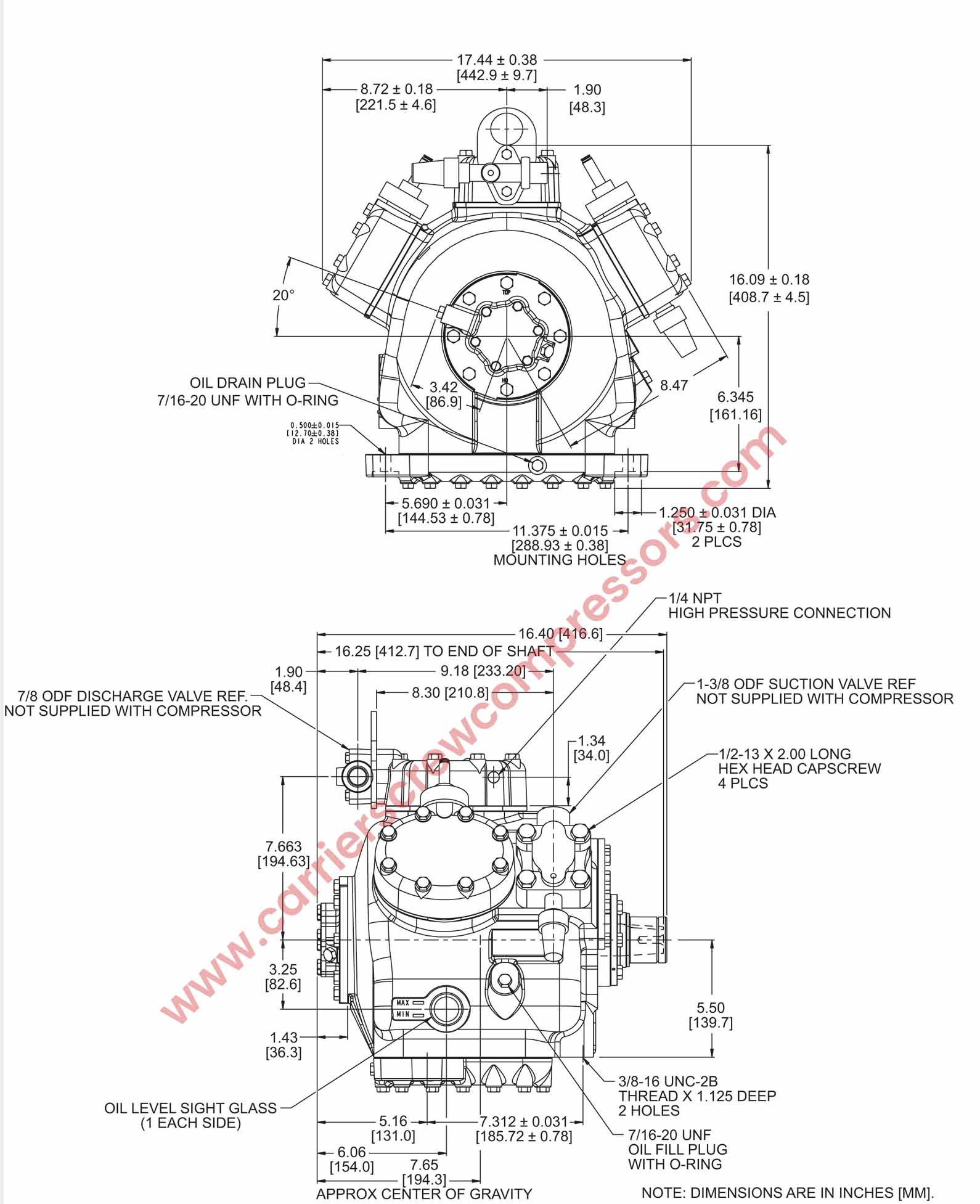
| Size | Capacity Low (tons) | Capacity Medium (tons) | Capacity High (tons) | Length (in) | Width (in) | Height (in) | Operating Weight (lb) |
|---|---|---|---|---|---|---|---|
| 37 | 2.9 | 9.2 | 16.6 | 17 | 17 | 16 | 146 |
| 41 | 3.2 | 10.6 | 18.6 | 17 | 17 | 16 | 146 |
A product of Carlyle’s leadership in advanced compressor design, the 05G compressor provides superior performance and exceptional reliability.
Engineered to withstand punishing conditions, the 05G features time-proven, heavy duty construction. And its exclusive 2/4-cylinder design ensures exceptionally smooth, balanced operation.
Suitable for air conditioning or refrigeration applications, belt drive or direct drive, purchase the bare compressor and build up your own system, or let Carrier build a complete system for you.

Displacement : 37CFM
No. Cylinders : 6
Weight : 62 kg (137 lbs)

Displacement : 41CFM
No. Cylinders : 6
Weight : 62 kg (137 lbs)